欢迎光临寻材问料网!
当前位置:社区 >测试 >物理检测

物理检测

+关注

总共 371 精华 4 今日发帖:0

  • 0
    芯片是LED最关键的原物料,其质量的好坏,直接决定了LED的性能。特别是用于汽车或固态照明设备的高端LED,绝对不容许出现缺陷,也就是说此类设备的可靠性必须非常高。然而,LED封装厂由于缺乏芯片来料检验的经验和设备,通常不对芯片进行来料检验,在购得不合格的芯片后,往往只能吃哑巴亏。金鉴检测在累积了大量LED失效分析...
    沉淀 2015-08-25更新 顶 (6) 踩(0) 回复(0)阅读(263)
  • 0
    全脂奶粉脂肪含量高,容易因氧化和水解而酸败变质。要确保全脂奶粉的货架期质量,需对包装材料进行合理设计,并结合相应适宜的包装性能检测,以充分发挥包装对内容物的保护作用,提高奶粉的安全性。本文对全脂奶粉包装材料的选择及其检测方案进行介绍。随着生活水平的不断提高,人们对健康的关注度越来越高,奶粉已深入到人们...
    沉淀 2015-08-26更新 顶 (6) 踩(0) 回复(0)阅读(260)
  • 0
    将热电材料制作成纳米柱状薄膜结构是一种理论上能有效降低热导率、大幅提升热电优值的操控手段。但随之而来的问题是纳米柱状薄膜热导率的精确获取困难,由于Bi2Te3取向纳米柱状薄膜是由直径为微米量级的纳米柱阵列组成的多孔结构,其表面粗糙度较大,因此在表面上直接沉积百纳米厚的微型金属探测器的实验方案无法适用。常规的...
    二哈 2015-09-09更新 顶 (6) 踩(0) 回复(0)阅读(260)
  • 0
    红外光谱分析在科研、生产中是一种重要的分析手段。样品制备是红外光谱分析的重要环节。为了得到一张高质量的红外光谱图, 除了仪器性能外, 很大程度上取决于选择合适的样品制备方法以及熟练的操作技术。本文就红外光谱样品制备中常出现的问题进行分析, 供广大红外光谱工作者参考。 一般来说, 样品制备应注意以下几点: (1) ...
    二哈 2015-09-09更新 顶 (6) 踩(0) 回复(0)阅读(260)
  • 0
    氧化铝一维纳米材料能用于催化剂和催化剂载体、陶瓷材料和复合材料增强物。然而,采用气相法制备氧化铝一维纳米材料时,需要在高温、真空或保护性气氛、催化剂条件下进行反应,制备条件非常苛刻,通常需要特殊设备,因此限制了氧化铝一维纳米材料的应用。 液相法具有制备条件温和、不需要特殊设备和大量制备等优点,因此,近...
    二哈 2015-09-09更新 顶 (6) 踩(0) 回复(0)阅读(259)
  • 0
    为了节约生产成本和提高工作效率,越来越多的汽车制造商开始致力于建设一条标准化的零部件供应链。然而动辄上千公里的地域阻隔使得很多汽车制造商无法兼顾供应商的产品质量和供货及时性。如何统一这对看似矛盾但却都影响到企业竞争力的因素?CTI汽车事业部在供应商管理方面有足够的经验帮您应付这样的挑战。●建立有效的供应...
    夏洛克 2015-08-29更新 顶 (6) 踩(0) 回复(0)阅读(258)
  • 0
    图片来源:网络 科学家在《Journal of Chromatography A》中发表了一项关于小麦提取物的新研究,即采用液相色谱-串联质谱-多反应监测(LC-MRM-MS)法对乳糜泻(CD)表位进行检测的新方法。[1] 乳糜泻是由于进食麦粉类食品,小肠做出的免疫反应所引起的疾病。酶联免疫吸附测定法(ELISA)是一种针对食物的标准测定方法,但是...
    二哈 2015-09-09更新 顶 (6) 踩(0) 回复(0)阅读(256)
  • 0
    高效液相色谱的主要优点是:⑴分辩率高于其它色谱法⑵速度快,十几分钟到几十分钟可完成;⑶重复性高;⑷高效相色谱柱可反复使用;(5)自动化操作,分析精确度高。根据分离过程中溶质分子与固定相相互作用的差别,高效液相色谱可分为四个基本类型,即液-固色谱、液-液色谱、离子交换色谱和体积排阻色谱。 高效液相色谱在生...
    二哈 2015-09-09更新 顶 (6) 踩(0) 回复(0)阅读(256)
  • 0
    Surface morphology、Dimension Measurement表面形貌、尺寸量测Optical profiler, SEM, TEMFilm type and thickness薄膜类型及薄膜厚度SEM/EDS, TEM/EDSQ-well structure量子井结构分析SEM/EDS, TEM/EDSDefects (Dislocations)缺陷分析TEMQ-Well Periodic Doping Profile量子井周期掺杂分布SIMSDefect Isolation缺陷定位EMMI...
    夏洛克 2015-08-25更新 顶 (6) 踩(0) 回复(0)阅读(251)
  • 0
    “当手机只有一格电或充电时候千万别拨打或接听电话,因为这个时候手机产生的辐射最大,是平时的1000倍”……这些说法正确吗?前日,记者利用电磁波辐射测试仪(下简称测试仪)做了关于手机辐射的实验。 实验仪器:测试仪(通过电场辐射来显示被检测物的辐射值,若超出安全标准,仪器会发出报警声)。 计量单位:微瓦/平方厘米。...
    二哈 2015-09-09更新 顶 (6) 踩(0) 回复(0)阅读(249)
  • 0
    2014年12月31日,国家标准化委员会发布了第33号公告,批准发布了包括GB/T22849-2014《针织T恤衫》在内的107个国家标准,华测检测技术股份有限公司作为主要起草单位参与起草的GB/T22849-2014《针织T恤衫》国家标准于2015年6月1日起正式实施。与2009版标准相比,国标GB/T22849-2014《针织T恤衫》的主要更新要点如下:---增加了...
    夏洛克 2015-08-28更新 顶 (6) 踩(0) 回复(0)阅读(249)
  • 0
    SDS,英文全称Safety Data Sheet,中文名称安全数据表,是一份关于化学品组分信息、理化参数、燃爆性能,人体毒性、环境危害,以及安全使用存储、泄漏应急处理、运输法规要求等方面信息的综合性文件,也是REACH中法定的信息传递载体之一。CTI专业工程师可根据客户产品情况,编制符合REACH& CLP & GHS要求的安全数据表...
    夏洛克 2015-08-29更新 顶 (6) 踩(0) 回复(0)阅读(249)
  • 0
    《2009年香港国际安全与环境无害化拆船公约》(香港公约)与欧盟拆船法案的颁布,严格规范了老旧船舶的拆解方式。香港公约及欧盟法案对船舶建造及营运中的有害物质控制、新造船厂及营运船东责任、拆船厂设施条件、环境保护措施及安全管理等方面提出了明确要求。对拆船厂而言,需要建立起配套的硬件设施及软件能力,获得认可机...
    夏洛克 2015-08-29更新 顶 (6) 踩(0) 回复(0)阅读(248)
  • 0
    牛生长激素(BST)是由脑垂体前叶嗜酸性细胞分泌的一种具有调节生长和催乳功能的蛋白质,早在20世纪30年代,牛生长激素就被注射到母牛体内以增加牛奶产量。20世纪80年代研制出基因合成的重组牛生长激素(rBST),它可以使奶牛的产奶量增加10%以上。重组牛生长激素与内源性牛生长激素的区别是N-末端氨基酸序列上的一个丙氨酸...
    二哈 2015-09-09更新 顶 (6) 踩(0) 回复(0)阅读(248)
  • 0
    1. 防水性能测试标准 纺织品防水性能检测也称抗水性检测,主要分为抗水渗透性(静水压)检测、表面拒水性(喷淋)检测和淋雨测试,国内外常用的检测方法见下表1: 表1 国内外主要检测标准上表中的国家标准和日本JIS方法体系的技术方法基本上等效采用ISO,而AATCC方法检测方法与ISO 的主要不同之处在于:AATCC的静水压检测只要求至...
    二哈 2015-09-09更新 顶 (6) 踩(0) 回复(0)阅读(248)
  • 0
    法源依据◆欧盟RoHS指令2002/95/EC  EU RoHS Directive 2002/95/EC◆2006年7月1日正式实施◆欧盟议会和欧盟理事会2011年6月8日发布第2011/65/EU号关于在电子电气设备中限制使用某些有害物质的改写指令,即RoHS2.0。◆生效日期:2011年7月21日。欧盟各成国应在18个月内,即2013年1月2日前完成本国法律的转化,届时2002/9...
    夏洛克 2015-08-29更新 顶 (6) 踩(0) 回复(0)阅读(247)
  • 0
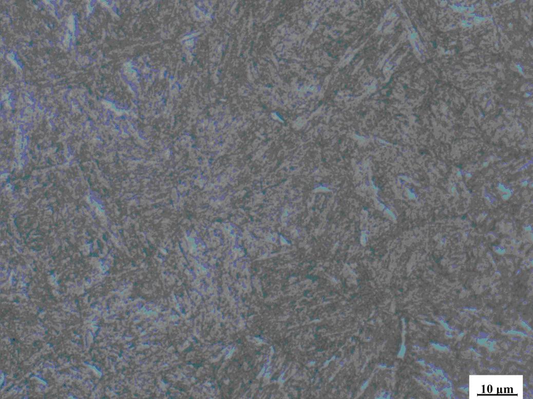
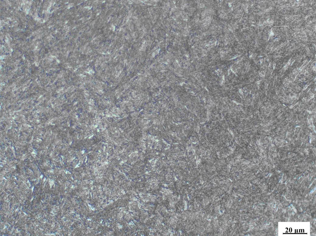
    测试目的:1.预测及研判材料可能之特性,如材质判定;2.发生破坏的可能原因,如各种失效分析;3.表面及内部缺陷观察;4.制程改善&验证;适用范围:铜,铁,铝,镁,锌,钛等金属材料的原料,加工结构件及成品的组织评定,工艺剖析,缺陷研判等相关分析。使用仪器:精密切割机,镶埋机,研磨及抛光机,电解抛光仪,金相显微镜...
    夏洛克 2015-08-25更新 顶 (6) 踩(0) 回复(0)阅读(246)
  • 0
    长春瑞滨(Navelbine,NVB)临床上主要用于治疗非小细胞肺癌,也用于乳腺癌,卵巢癌等的治疗。NVB的不良反应和药物剂量密切相关,因此发展痕量NVB的检测方法,对于该药的临床合理应用具有重要意义。目前,测定NVB的主要方法是高效液相色谱法和高效液相色谱-质谱联用法。这些方法有的需要对样品进行前处理、大量使用有机溶剂、...
    二哈 2015-09-09更新 顶 (6) 踩(0) 回复(0)阅读(246)
  • 0
    橡塑材料:汽车内/外饰件、结构件及其他塑料件●PEPP●POM●TPR●PVC●PBT●TPU●ABS●PET●其他各种塑料●PC●TPE●PA●TPO汽车减震件、护套、轮胎、传动带、密封胶条、雨刮器挂水片及其他橡胶件●天然橡胶●SBS橡胶●其他各种橡胶●SBR橡胶●硫化橡胶测试项目:机械力学性能●密度与比重●洛氏/邵氏硬度●精密荷重测试●拉...
    夏洛克 2015-08-31更新 顶 (7) 踩(0) 回复(0)阅读(245)
  • 0
    微观世界的美无处不在,借助扫描电镜,带你一起去感受围观材料的魅力!1、清晨林中漫步氧化锡纳米线的扫描电镜照片——SureshDonthu, Northwestern University2、纳米棒棒糖这是一个侧面图,现实了搭在两个镍电极间的一根硅纳米线。在右边的那一头,纳米线连着一个小的纳米镍金属球,看起来就象是个棒棒糖。所以偶们叫它&quo...
    牵牛花 2015-08-27更新 顶 (6) 踩(0) 回复(0)阅读(245)
1 2 3 4 5 6 7 8 9 10 共19页 转到第
400-7755-899